CW1242B 带温度保护的4节二级保护芯片

CW1242B是一款4串二级保护IC,支持过充、过放、温度保护。    


功能特性    

• 过充电保护    

     • 阈值范围 2.8V、3.65V~3.95V、4.175V~4.500V,25mV步进,±25mV精度    

• 过放电保护    

     • 阈值范围 1.2V、2.100V~3.000V,100mV步进,±30mV精度    

• 温度检测功能    

     • 充电高低温保护,保护温度外部可设    

     • 放电高温保护,保护温度外部可设    

• 低功耗设计    

     • 工作状态 4μA (25°C)    

     • 休眠状态 2.5μA  (25°C)    

• 封装形式:MSOP10    


应用领域    

• 电动工具    

• 电动自行车    

• 后备电源    

• 锂离子及锂聚合物电池包   


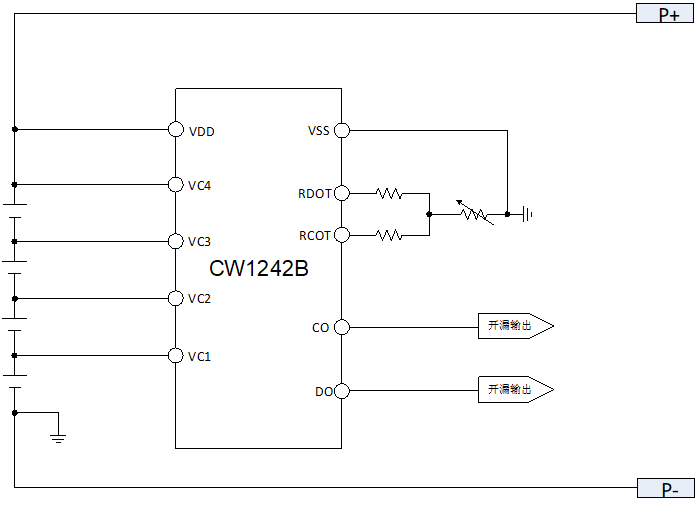
典型应用电路    

CW1242B 带温度保护的4节二级保护芯片